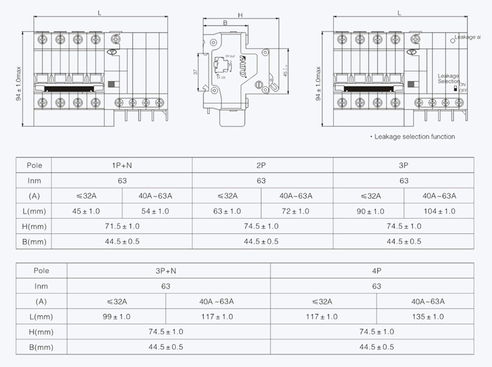
Выключатель схемы утечки в серии DZ47SLE-63 подходит для цепи AC 50 Гц/60 Гц с номинальным напряжением до 400 В и номинальным током до 63а. Он может немедленно отключить неисправный источник питания, чтобы защитить личную безопасность и электроэнергию по случаю личного удара или тока утечки за пределами номинальной стоимости. Он также может защитить цепь и перегрузку или короткий размер электромотора, используемый для нечастого смены и начиная с цепи.
Встреча соответствует IEC61009-1, GB16917.1.
◇ Высота: ≤2000 м;
◇ Температура окружающей среды: -5 ℃ ~+40 ℃, со средним значением не превышает+35 ℃ в течение 24 часов;
◇ Влажность окружающей среды: не превышает 50% при максимальной температуре окружающей среды+40 ℃, с более высокой относительной влажностью, возможной при более низких температурах, таких как достижение 90% при 20 ℃, с учетом конденсации на поверхности продукта из -за изменений температуры;
◇ Условия установки: Внешнее магнитное поле места установки не должно превышать в 5 раз больше геомагнитного поля в любом направлении. Обычный ток, работающие на цепи, обычно должны быть установлены вертикально, при этом ручка обращена вверх, чтобы подключиться к источнику питания. На месте установки не должно быть существенного воздействия или вибрации;
◇ Категория установки: II;
◇ Тип установки: TH35-7.5 Стандартная направляющая рельсовая установка принята;
◇ Уровень загрязнения: 2;
◇ Метод проводки: используйте винты, чтобы затянуть проводку.


